深圳市南皇電子有限公司長期提供LM2576S-5.0(品牌: TI/NS/德州儀器)充足現貨訂購、免費樣品
技術參數詳解:
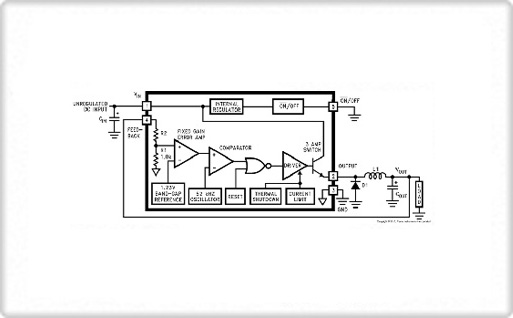
型號:LM2576S-5.0制造商:Texas Instruments(德州儀器)描述:IC REG BUCK 5V 3A TO263-5系列:輸出電壓5V、輸出電流3A的降壓電壓穩壓器IC類型:降壓電壓穩壓器輸出類型:固定輸出數:1輸出電壓:5V輸入電壓:4V(最小) ~ 40 V(最大)開關頻率:52kHz輸出電流:3A同步整流器:無工作溫度:-40°C ~ 125°C安裝類型:表面貼片封裝:TO-263-6,TO-263BALM2576S-5.0均從LM2576代理或經過認證的可靠渠道采購,長期充足現貨,確保原裝正品!
LM2576S-5.0應用手冊下載(TI公司友情提供,點擊標題進行下載):

與LM2576S-5.0配合設計使用的核心器件(本司都有現貨):
TMS320F28062(LQFP-100,LQFP-80):Piccolo微處理器UC3844(SOP-8、DIP-8):電流模式PWM控制器LF347(SOIC-14、DIP-14):四路通用JFET輸入運算放大器LF353(SOP-8、DIP-8):雙路通用JFET輸入運算放大器SN74ACT244(SOIC-20、TSSOP-20):具有三態輸出的八路緩沖器/驅動器
